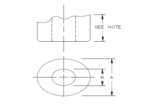
Hollow Tube EMI Gaskets M83528/011

hollow tube emi gasket

Hollow Tube EMI Gasket Part Number Code

SSP makes EMI extrusions and fabricates them into finished gaskets.

EXXX-AAA-BBB-EXHT

  • EXXXX is the extruded material
  • AAA is Dimension A
  • BBB is Dimension B
  • EXHT indicates it’s an extruded cord

M83528/011 and SSP Part Numbers for Hollow Tube EMI Gaskets

Use the table below to find part numbers and sizes for EMI gaskets with a Hollow Tube shape.

E236865 is a 65-durometer silicone filled with silver-aluminum particles. It’s tan in color and QPL listed.

MIL-DTL-83528
Part Number

SSP
Part Number

Dimensions
A (OD)

Dimensions
B (ID)

Recommended
Groove Width

Recommended
Groove Height

M83528/
011X001

E2368-125-045-EXHT

.125

3.18

.045

1.14

.130

3.30

.088

2.23

M83528/
011X002

E2368-156-050-EXHT

.156

3.96

.050

1.27

.160

4.06

.109

2.76

M83528/
011X003

E2368-250-125-EXHT

.250

6.35

.125

3.18

.255

5.71

.150

3.81

M83528/
011X004

E2368-312-192-EXHT

.312

7.92

.192

4.88

.317

8.05

.156

3.96

M83528/
011X005

E2368-375-250-EXHT

.375

9.53

.250

6.35

.380

9.65

.177

4.49

M83528/
011X006

E2368-125-062-EXHT

.125

3.18

.062

1.57

.130

3.30

.077

1.95

M83528/
011X007

E2368-103-040-EXHT

.103

2.62

.040

1.02

.107

2.72

.073

1.85

M83528/
011X008

E2368-177-079-EXHT

.177

4.50

.079

2.01

.182

4.62

.120

3.05

N/A

E2368-090-050-EXHT

.090

2.29

.050

1.27

.095

2.41

.063

1.60

N/A

E2368-094-063-EXHT

.094

2.39

.063

1.60

.099

2.51

.066

1.68

N/A

E2368-060-020-EXHT

.060

1.52

.020

.51

.065

1.65

.042

1.07

N/A

E2368-125-079-EXHT

.125

3.18

.079

2.01

.130

3.30

.088

2.24

N/A

E2368-156-080-EXHT

.156

3.96

.080

2.03

.161

4.09

.109

2.77

N/A

E2368-400-240-EXHT

.400

10.16

.240

6.10

.405

10.29

.189

4.80

E236865DB is a 65-durometer silicone filled with silver-aluminum particles. It’s dark blue in color and QPL listed.

MIL-DTL-83528
Part Number

SSP
Part Number

Dimensions
A (OD)

Dimensions
B (ID)

Recommended
Groove Width

Recommended
Groove Height

M83528/
011X001

E2368DB-125-045-EXHT

.125

3.18

.045

1.14

.130

3.30

.088

2.23

M83528/
011X002

E2368DB-156-050-EXHT

.156

3.96

.050

1.27

.160

4.06

.109

2.76

M83528/
011X003

E236DB8-250-125-EXHT

.250

6.35

.125

3.18

.255

5.71

.150

3.81

M83528/
011X004

E2368DB-312-192-EXHT

.312

7.92

.192

4.88

.317

8.05

.156

3.96

M83528/
011X005

E2368DB-375-250-EXHT

.375

9.53

.250

6.35

.380

9.65

.177

4.49

M83528/
011X006

E2368DB-125-062-EXHT

.125

3.18

.062

1.57

.130

3.30

.077

1.95

M83528/
011X007

E2368DB-103-040-EXHT

.103

2.62

.040

1.02

.107

2.72

.073

1.85

M83528/
011X008

E2368DB-177-079-EXHT

.177

4.50

.079

2.01

.182

4.62

.120

3.05

N/A

E2368DB-090-050-EXHT

.090

2.29

.050

1.27

.095

2.41

.063

1.60

N/A

E2368DB-094-063-EXHT

.094

2.39

.063

1.60

.099

2.51

.066

1.68

N/A

E2368DB-060-020-EXHT

.060

1.52

.020

.51

.065

1.65

.042

1.07

N/A

E2368DB-125-079-EXHT

.125

3.18

.079

2.01

.130

3.30

.088

2.24

N/A

E2368DB-156-080-EXHT

.156

3.96

.080

2.03

.161

4.09

.109

2.77

N/A

E2368DB-400-240-EXHT

.400

10.16

.240

6.10

.405

10.29

.189

4.80

E248670 is a 70-durometer fluorosilicone filled with silver-aluminum particles. It’s tan in color and QPL listed.

MIL-DTL-83528
Part Number

SSP
Part Number

Dimensions
A (OD)

Dimensions
B (ID)

Recommended
Groove Width

Recommended
Groove Height

M83528/
011X001

E2486-125-045-EXHT

.125

3.18

.045

1.14

.130

3.30

.088

2.23

M83528/
011X002

E2486-156-050-EXHT

.156

3.96

.050

1.27

.160

4.06

.109

2.76

M83528/
011X003

E2486-250-125-EXHT

.250

6.35

.125

3.18

.255

5.71

.150

3.81

M83528/
011X004

E2486-312-192-EXHT

.312

7.92

.192

4.88

.317

8.05

.156

3.96

M83528/
011X005

E2486-375-250-EXHT

.375

9.53

.250

6.35

.380

9.65

.177

4.49

M83528/
011X006

E2486-125-062-EXHT

.125

3.18

.062

1.57

.130

3.30

.077

1.95

M83528/
011X007

E2486-103-040-EXHT

.103

2.62

.040

1.02

.107

2.72

.073

1.85

M83528/
011X008

E2486-177-079-EXHT

.177

4.50

.079

2.01

.182

4.62

.120

3.05

N/A

E2486-090-050-EXHT

.090

2.29

.050

1.27

.095

2.41

.063

1.60

N/A

E2486-094-063-EXHT

.094

2.39

.063

1.60

.099

2.51

.066

1.68

N/A

E2486-060-020-EXHT

.060

1.52

.020

.51

.065

1.65

.042

1.07

N/A

E2486-125-079-EXHT

.125

3.18

.079

2.01

.130

3.30

.088

2.24

N/A

E2486-156-080-EXHT

.156

3.96

.080

2.03

.161

4.09

.109

2.77

N/A

E2486-400-240-EXHT

.400

10.16

.240

6.10

.405

10.29

.189

4.80

E248670DB is a 70-durometer fluorosilicone filled with silver-aluminum particles. It’s dark blue in color and QPL listed.

MIL-DTL-83528
Part Number

SSP
Part Number

Dimensions
A (OD)

Dimensions
B (ID)

Recommended
Groove Width

Recommended
Groove Height

M83528/
011X001

E2486DB-125-045-EXHT

.125

3.18

.045

1.14

.130

3.30

.088

2.23

M83528/
011X002

E2486DB-156-050-EXHT

.156

3.96

.050

1.27

.160

4.06

.109

2.76

M83528/
011X003

E2486DB-250-125-EXHT

.250

6.35

.125

3.18

.255

5.71

.150

3.81

M83528/
011X004

E2486DB-312-192-EXHT

.312

7.92

.192

4.88

.317

8.05

.156

3.96

M83528/
011X005

E2486DB-375-250-EXHT

.375

9.53

.250

6.35

.380

9.65

.177

4.49

M83528/
011X006

E2486DB-125-062-EXHT

.125

3.18

.062

1.57

.130

3.30

.077

1.95

M83528/
011X007

E2486DB-103-040-EXHT

.103

2.62

.040

1.02

.107

2.72

.073

1.85

M83528/
011X008

E2486DB-177-079-EXHT

.177

4.50

.079

2.01

.182

4.62

.120

3.05

N/A

E2486DB-090-050-EXHT

.090

2.29

.050

1.27

.095

2.41

.063

1.60

N/A

E2486DB-094-063-EXHT

.094

2.39

.063

1.60

.099

2.51

.066

1.68

N/A

E2486DB-060-020-EXHT

.060

1.52

.020

.51

.065

1.65

.042

1.07

N/A

E2486DB-125-079-EXHT

.125

3.18

.079

2.01

.130

3.30

.088

2.24

N/A

E2486DB-156-080-EXHT

.156

3.96

.080

2.03

.161

4.09

.109

2.77

N/A

E2486DB-400-240-EXHT

.400

10.16

.240

6.10

.405

10.29

.189

4.80

E2529 is a 68-durometer silicone filled with nickel-aluminum particles.

MIL-DTL-83528
Part Number

SSP
Part Number

Dimensions
A (OD)

Dimensions
B (ID)

Recommended
Groove Width

Recommended
Groove Height

M83528/
011X001

E2529-125-045-EXHT

.125

3.18

.045

1.14

.130

3.30

.088

2.23

M83528/
011X002

E2529-156-050-EXHT

.156

3.96

.050

1.27

.160

4.06

.109

2.76

M83528/
011X003

E2529-250-125-EXHT

.250

6.35

.125

3.18

.255

5.71

.150

3.81

M83528/
011X004

E2529-312-192-EXHT

.312

7.92

.192

4.88

.317

8.05

.156

3.96

M83528/
011X005

E2529-375-250-EXHT

.375

9.53

.250

6.35

.380

9.65

.177

4.49

M83528/
011X006

E2529-125-062-EXHT

.125

3.18

.062

1.57

.130

3.30

.077

1.95

M83528/
011X007

E2529-103-040-EXHT

.103

2.62

.040

1.02

.107

2.72

.073

1.85

M83528/
011X008

E2529-177-079-EXHT

.177

4.50

.079

2.01

.182

4.62

.120

3.05

N/A

E2529-090-050-EXHT

.090

2.29

.050

1.27

.095

2.41

.063

1.60

N/A

E2529-094-063-EXHT

.094

2.39

.063

1.60

.099

2.51

.066

1.68

N/A

E2529-060-020-EXHT

.060

1.52

.020

.51

.065

1.65

.042

1.07

N/A

E2529-125-079-EXHT

.125

3.18

.079

2.01

.130

3.30

.088

2.24

N/A

E2529-156-080-EXHT

.156

3.96

.080

2.03

.161

4.09

.109

2.77

N/A

E2529-400-240-EXHT

.400

10.16

.240

6.10

.405

10.29

.189

4.80

E2551 is a 72-durometer silicone filled with nickel-aluminum particles.

MIL-DTL-83528
Part Number

SSP
Part Number

Dimensions
A (OD)

Dimensions
B (ID)

Recommended
Groove Width

Recommended
Groove Height

M83528/
011X001

E2551-125-045-EXHT

.125

3.18

.045

1.14

.130

3.30

.088

2.23

M83528/
011X002

E2551-156-050-EXHT

.156

3.96

.050

1.27

.160

4.06

.109

2.76

M83528/
011X003

E2551-250-125-EXHT

.250

6.35

.125

3.18

.255

5.71

.150

3.81

M83528/
011X004

E2551-312-192-EXHT

.312

7.92

.192

4.88

.317

8.05

.156

3.96

M83528/
011X005

E2551-375-250-EXHT

.375

9.53

.250

6.35

.380

9.65

.177

4.49

M83528/
011X006

E2551-125-062-EXHT

.125

3.18

.062

1.57

.130

3.30

.077

1.95

M83528/
011X007

E2551-103-040-EXHT

.103

2.62

.040

1.02

.107

2.72

.073

1.85

M83528/
011X008

E2551-177-079-EXHT

.177

4.50

.079

2.01

.182

4.62

.120

3.05

N/A

E2551-090-050-EXHT

.090

2.29

.050

1.27

.095

2.41

.063

1.60

N/A

E2551-094-063-EXHT

.094

2.39

.063

1.60

.099

2.51

.066

1.68

N/A

E2551-060-020-EXHT

.060

1.52

.020

.51

.065

1.65

.042

1.07

N/A

E2551-125-079-EXHT

.125

3.18

.079

2.01

.130

3.30

.088

2.24

N/A

E2551-156-080-EXHT

.156

3.96

.080

2.03

.161

4.09

.109

2.77

N/A

E2551-400-240-EXHT

.400

10.16

.240

6.10

.405

10.29

.189

4.80

E50265 is a 65-durometer silicone filled with nickel-graphite particles.

MIL-DTL-83528
Part Number

SSP
Part Number

Dimensions
A (OD)

Dimensions
B (ID)

Recommended
Groove Width

Recommended
Groove Height

M83528/
011X001

E50265-125-045-EXHT

.125

3.18

.045

1.14

.130

3.30

.088

2.23

M83528/
011X002

E50265-156-050-EXHT

.156

3.96

.050

1.27

.160

4.06

.109

2.76

M83528/
011X003

E50265-250-125-EXHT

.250

6.35

.125

3.18

.255

5.71

.150

3.81

M83528/
011X004

E50265-312-192-EXHT

.312

7.92

.192

4.88

.317

8.05

.156

3.96

M83528/
011X005

E50265-375-250-EXHT

.375

9.53

.250

6.35

.380

9.65

.177

4.49

M83528/
011X006

E50265-125-062-EXHT

.125

3.18

.062

1.57

.130

3.30

.077

1.95

M83528/
011X007

E50265-103-040-EXHT

.103

2.62

.040

1.02

.107

2.72

.073

1.85

M83528/
011X008

E50265-177-079-EXHT

.177

4.50

.079

2.01

.182

4.62

.120

3.05

N/A

E50265-090-050-EXHT

.090

2.29

.050

1.27

.095

2.41

.063

1.60

N/A

E50265-094-063-EXHT

.094

2.39

.063

1.60

.099

2.51

.066

1.68

N/A

E50265-060-020-EXHT

.060

1.52

.020

.51

.065

1.65

.042

1.07

N/A

E50265-125-079-EXHT

.125

3.18

.079

2.01

.130

3.30

.088

2.24

N/A

E50265-156-080-EXHT

.156

3.96

.080

2.03

.161

4.09

.109

2.77

N/A

E50265-400-240-EXHT

.400

10.16

.240

6.10

.405

10.29

.189

4.80

E502F60 is a 60-durometer fluorosilicone filled with nickel-graphite particles.

MIL-DTL-83528
Part Number

SSP
Part Number

Dimensions
A (OD)

Dimensions
B (ID)

Recommended
Groove Width

Recommended
Groove Height

M83528/
011X001

E502F60-125-045-EXHT

.125

3.18

.045

1.14

.130

3.30

.088

2.23

M83528/
011X002

E502F60-156-050-EXHT

.156

3.96

.050

1.27

.160

4.06

.109

2.76

M83528/
011X003

E502F60-250-125-EXHT

.250

6.35

.125

3.18

.255

5.71

.150

3.81

M83528/
011X004

E502F60-312-192-EXHT

.312

7.92

.192

4.88

.317

8.05

.156

3.96

M83528/
011X005

E502F60-375-250-EXHT

.375

9.53

.250

6.35

.380

9.65

.177

4.49

M83528/
011X006

E502F60-125-062-EXHT

.125

3.18

.062

1.57

.130

3.30

.077

1.95

M83528/
011X007

E502F60-103-040-EXHT

.103

2.62

.040

1.02

.107

2.72

.073

1.85

M83528/
011X008

E502F60-177-079-EXHT

.177

4.50

.079

2.01

.182

4.62

.120

3.05

N/A

E502F60-090-050-EXHT

.090

2.29

.050

1.27

.095

2.41

.063

1.60

N/A

E502F60-094-063-EXHT

.094

2.39

.063

1.60

.099

2.51

.066

1.68

N/A

E502F60-060-020-EXHT

.060

1.52

.020

.51

.065

1.65

.042

1.07

N/A

E502F60-125-079-EXHT

.125

3.18

.079

2.01

.130

3.30

.088

2.24

N/A

E502F60-156-080-EXHT

.156

3.96

.080

2.03

.161

4.09

.109

2.77

N/A

E502F60-400-240-EXHT

.400

10.16

.240

6.10

.405

10.29

.189

4.80